Toggle navigation
网站首页
建筑铝型材
工业铝型材
装饰结构铝型材
异型材
工程案例
恒延风采
联系我们
打造铝业精品 铸就行业先锋
凭借强大的研发能力以及对卓越品质的执著追求,不断开拓创新,公司在全国各省、市及地区建立了广泛而稳定的销售网络,以满足各地区客户对高品质产品的需求。
了解更多 >
建筑铝型材
幕墙系列(
4
)
隔热注胶系列(
4
)
断桥隔热系列(
4
)
钢纱一体窗(
5
)
推拉窗系列(
9
)
平开窗系列(
4
)
百叶窗系列(
2
)
隐形纱窗系列(
2
)
门系列(
9
)
栏杆系列(
2
)
角码系列(
1
)
角铝系列(
1
)
无框阳台系列(
1
)
扣板系列(
1
)
方管系列(
2
)
圆管系列(
3
)
纱料合集系列(
3
)
联系方式
湖北恒延铝业有限公司
地址:湖北省襄阳市深圳工业园无锡路1号
电话:0710-2958888
手机:13774158601
E-mail:xfhyly2958888@163.com
网站:
当前位置:
首页
>
建筑铝型材
>
门系列
门系列
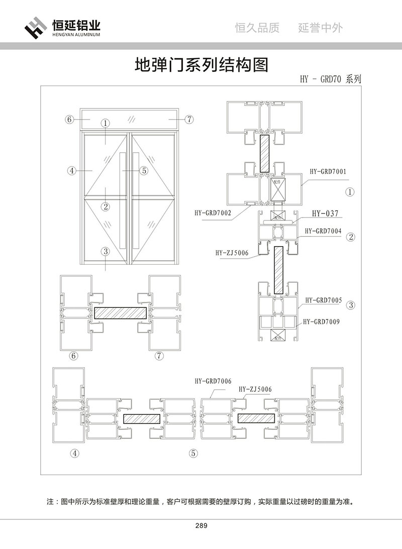
GRD70隔热地弹门系列
LOADING IMAGES
产品分类:门系列
型材:GRD70隔热地弹门系列(单位:mm)(单位:mm)
材质(牌号):
表面处理:可根据客户需求定制喷涂.电泳.氧化.木纹转印等(更多表面可定制)
槽宽:30 mm.
壁厚:2.0 mm
整根长度:6m(可按需切割)(可按需切割)
恒延:标准型材库存现货,特殊规格开模定制
订购及咨询
产品详细
分享到:
点击次数:
点击代码
更新时间:2017-12-28 17:03:53 【
打印此页
】 【
关闭
】
上一条:
GRD65地弹门系列
下一条:
HY-M76平开门系列